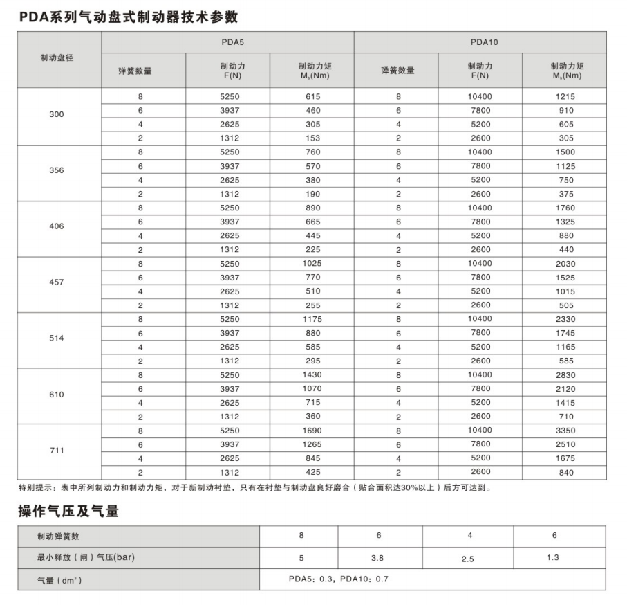
PDA系列气动盘式制动器

...
● 鼓式制动器
- YWZ5,YWZ9 系列电力液压鼓式制动器
- YWZ8,YWP系列电力液压鼓式制动器
- YWZ3B系列电力液压鼓式制动器
- YWZ4系列电力液压鼓式制动器
- YW,YWZ13系列电力液压鼓式制动器
- YWZ10系列电力液压鼓式制动器
- YW-L系列电力液压鼓式制动器
- YWK系列常开式电力液压鼓式制动器
- YW-E系列电力液压鼓式制动器
- TYW,TQW系列电力液压鼓式制动器
- YWW,YKW系列电力液压鼓式制动器
- DYW,BYWZ5系列电力液压鼓式制动器
● 液压安全盘式制动器
- ST1SH.ST2SH,ST3SH,ST3SH-A系列安全制动器
- ST10SH.ST16SH,ST25SH,ST40SH系列安全制动器
- 904SH系列安全制动器
- 5SH,450SH,4SH,3SH系列安全制动器
- 4SH-WD系列
- SBD-C,SDBH系列安全制动器
- SB系列安全制动器
- SBD-D系列安全制动器
- SBD-B系列安全制动器
- SBD-A系列安全制动器
● 电力液压臂盘式制动器
- YPZ2Ⅰ,Ⅱ,Ⅲ系列电液压盘式制动器
- YPZ2ⅣⅤⅥ系列电液压盘式制动器
- SPZ系列对称制动臂盘制动器
- 盘式制动器USB5-II安全制动器
- CB8液压盘式制动器
- YPW-II-550-30翻车机电力液压盘式制动器
- SIBRE USB3-III型制动器
- YP11.YP21.YP31系列电力液压盘式制动器
- YP1.YP2.YP3系列电力液压盘式制动器
● 起重机防风装置
- YFX,YXZ电力液压防风铁楔制动器
- YLZ,YLBZ系列液压轮边制动器
- YJGQ系列液压夹轨器
- YDGZ(直动式)液压顶轨制动器
- YDGZ-40(杠杆式)液压顶轨制动器
- DLZ系列电动轮边制动器
● 气动制动器
- QP、CQP系列气动钳盘式制动器
- ADP系列气动盘式制动器
- SP系列气动失效保护制动器
- QP-C系列气动钳盘式制动器
- QW、QWZ5系列气动鼓式制动器
- QPN、CQPN系列气动钳盘式制动器
- QPL-B(CQPL-B)系列气动钳盘式制动器
- CQP-A/B/F系列气动钳盘式制动器
- PDA系列气动盘式制动器
- QPL-A(CQPL-A)系列气动钳盘式制动器
- QP-D、CQP-D系列气动钳盘式制动器
- PD系列气动钳盘式制动器
● 电磁制动器
- JZ系列电磁鼓式制动器
- MW(Z)系列电磁鼓式制动器
- ZWZA,ZWZ3系列直流电磁鼓式制动器
- DCPZ系列电磁钳盘式制动器
- SE系列电磁失效保护制动器
- DJPZ系列电机盘式制动器
- 西姆645系列电磁盘式制动器
- 561.560.56SE系列电磁失效保护制动器
- ST1SE,ST2SE系列电磁失效保护制动器
- TJ2系列电磁鼓式制动器
- SB17MX电磁盘式制动器
- DSK,SK2-M,SK4-M系列电磁盘式制动器
● 推动及驱动装置
- Ed系列电力液压推动器
- YT1系列电力液压推动器
- BEd系列电力液压推动器
- BYT1系列电力液压推动器
- DYT系列电力液压推杆
- DED系列电磁节能液压推动器
- EB系列电力液压推动器
- YZ,PYZW.YPA系列液压站
● 风电制动器
- DADH风电偏航制动器
- DADH偏航制动器
- DADH80偏航制动器
- DADH80-A偏航制动器
- DADH90偏航制动器
- DADH90-B偏航制动器
- DADH-90-B-MX偏航制动器
- DADH90-C偏航制动器
- DADH120偏航制动器
- DADH120新式偏航制动器
- ADH偏航制动器
- HE-2-90/31偏航制动器
- 主轴制动器XE82-HE-2-90/19
- 偏航制动器CE82-2000
- 偏航制动器XE96-2000
- BSAB90偏航制动器
- BSAB75偏航制动器
- BSAK300风电偏航制动器
- SB200-A09偏航制动器
- HE-2-75偏航制动器
- SB140-A06偏航制动器
- HE-2-90偏航制动器
- BSAB120偏航制动器
- HE-1-110偏航制动器_副本
- SBD540-A02偏航制动器
- SBD540-A02偏航制动器,SBD540-A02制动器
- DWYBK001/1500偏航制动器
- ZSDB高速轴制动器
- STZD-0300-014高速轴制动器
- STZD-0300-013高速轴制动器
● 制动器配件
- yz型液压站
- DKZ制动轮
- lmz-1制动轮
- USB3-I系列摩擦片
- 脚踏泵
- PYZW-IA盘式制动器专用液压站
- 制动器闸瓦摩擦片
- YWZ5,YWZE系列制动器摩擦片
- 联轴器
● 其他分类
- SHI202盘式制动器
- DZD-1-660单元制动器轨道交通制动器
- DZD-1-1050轨道交通制动器,单元制动器
- DZD-1单元制动器
● 风电摩擦片
- 偏航密封
● 直动制动器
- SKD80液压盘式制动器

在线留言

Message

Message