YW-L系列电力液压鼓式制动器
- ● 鼓式制动器
- - YWZ5,YWZ9 系列电力液压鼓式制动器
- - YWZ8,YWP系列电力液压鼓式制动器
- - YWZ3B系列电力液压鼓式制动器
- - YWZ4系列电力液压鼓式制动器
- - YW,YWZ13系列电力液压鼓式制动器
- - YWZ10系列电力液压鼓式制动器
- - YW-L系列电力液压鼓式制动器
- - YWK系列常开式电力液压鼓式制动器
- - YW-E系列电力液压鼓式制动器
- - TYW,TQW系列电力液压鼓式制动器
- - YWW,YKW系列电力液压鼓式制动器
- - DYW,BYWZ5系列电力液压鼓式制动器
- ● 液压安全盘式制动器
- - ST1SH.ST2SH,ST3SH,ST3SH-A系列安全制动器
- - ST10SH.ST16SH,ST25SH,ST40SH系列安全制动器
- - 904SH系列安全制动器
- - 5SH,450SH,4SH,3SH系列安全制动器
- - 4SH-WD系列
- - SBD-C,SDBH系列安全制动器
- - SB系列安全制动器
- - SBD-D系列安全制动器
- - SBD-B系列安全制动器
- - SBD-A系列安全制动器
- ● 电力液压臂盘式制动器
- - YPZ2Ⅰ,Ⅱ,Ⅲ系列电液压盘式制动器
- - YPZ2ⅣⅤⅥ系列电液压盘式制动器
- - SPZ系列对称制动臂盘制动器
- - 盘式制动器USB5-II安全制动器
- - CB8液压盘式制动器
- - YPW-II-550-30翻车机电力液压盘式制动器
- - SIBRE USB3-III型制动器
- - YP11.YP21.YP31系列电力液压盘式制动器
- - YP1.YP2.YP3系列电力液压盘式制动器
- ● 起重机防风装置
- - YFX,YXZ电力液压防风铁楔制动器
- - YLZ,YLBZ系列液压轮边制动器
- - YJGQ系列液压夹轨器
- - YDGZ(直动式)液压顶轨制动器
- - YDGZ-40(杠杆式)液压顶轨制动器
- - DLZ系列电动轮边制动器
- ● 气动制动器
- - QP、CQP系列气动钳盘式制动器
- - ADP系列气动盘式制动器
- - SP系列气动失效保护制动器
- - QP-C系列气动钳盘式制动器
- - QW、QWZ5系列气动鼓式制动器
- - QPN、CQPN系列气动钳盘式制动器
- - QPL-B(CQPL-B)系列气动钳盘式制动器
- - CQP-A/B/F系列气动钳盘式制动器
- - PDA系列气动盘式制动器
- - QPL-A(CQPL-A)系列气动钳盘式制动器
- - QP-D、CQP-D系列气动钳盘式制动器
- - PD系列气动钳盘式制动器
- ● 电磁制动器
- - JZ系列电磁鼓式制动器
- - MW(Z)系列电磁鼓式制动器
- - ZWZA,ZWZ3系列直流电磁鼓式制动器
- - DCPZ系列电磁钳盘式制动器
- - SE系列电磁失效保护制动器
- - DJPZ系列电机盘式制动器
- - 西姆645系列电磁盘式制动器
- - 561.560.56SE系列电磁失效保护制动器
- - ST1SE,ST2SE系列电磁失效保护制动器
- - TJ2系列电磁鼓式制动器
- - SB17MX电磁盘式制动器
- - DSK,SK2-M,SK4-M系列电磁盘式制动器
- ● 推动及驱动装置
- - Ed系列电力液压推动器
- - YT1系列电力液压推动器
- - BEd系列电力液压推动器
- - BYT1系列电力液压推动器
- - DYT系列电力液压推杆
- - DED系列电磁节能液压推动器
- - EB系列电力液压推动器
- - YZ,PYZW.YPA系列液压站
- ● 风电制动器
- - DADH风电偏航制动器
- - DADH偏航制动器
- - DADH80偏航制动器
- - DADH80-A偏航制动器
- - DADH90偏航制动器
- - DADH90-B偏航制动器
- - DADH-90-B-MX偏航制动器
- - DADH90-C偏航制动器
- - DADH120偏航制动器
- - DADH120新式偏航制动器
- - ADH偏航制动器
- - HE-2-90/31偏航制动器
- - 主轴制动器XE82-HE-2-90/19
- - 偏航制动器CE82-2000
- - 偏航制动器XE96-2000
- - BSAB90偏航制动器
- - BSAB75偏航制动器
- - BSAK300风电偏航制动器
- - SB200-A09偏航制动器
- - HE-2-75偏航制动器
- - SB140-A06偏航制动器
- - HE-2-90偏航制动器
- - BSAB120偏航制动器
- - HE-1-110偏航制动器_副本
- - SBD540-A02偏航制动器
- - SBD540-A02偏航制动器,SBD540-A02制动器
- - DWYBK001/1500偏航制动器
- - ZSDB高速轴制动器
- - STZD-0300-014高速轴制动器
- - STZD-0300-013高速轴制动器
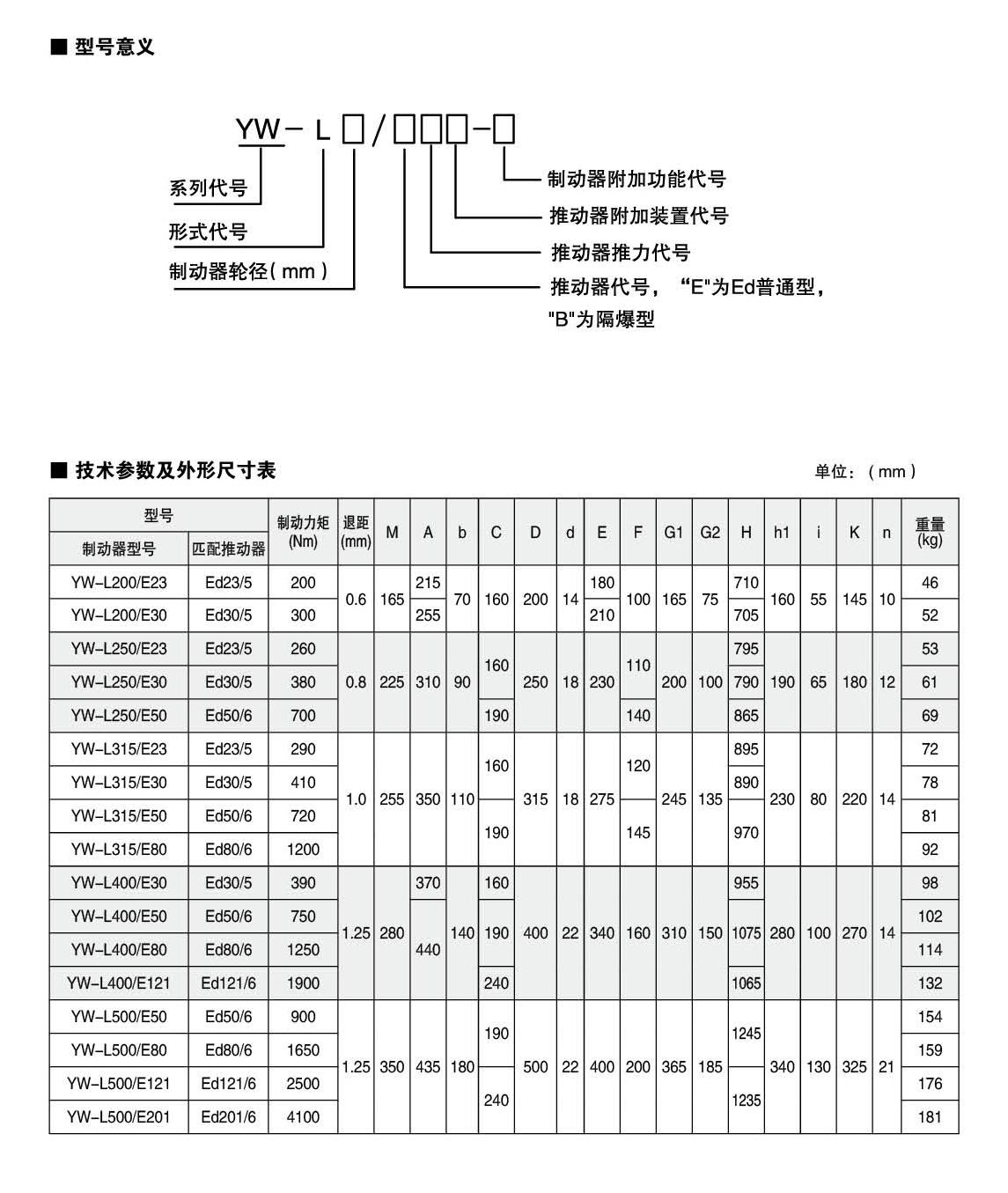
YW-L系列电力液压鼓式制动器,广泛应用于起重、运输、冶金、矿山、码头、建筑等机械驱动装置的减速或停车制动。
YW-L系列制动器安装尺寸及制动力矩参数符合JB/T6406-2006标准和DIN15435标准。配套符合DIN15430标准的Ed系列推动器。
▲ 联锁式退距均等装置和瓦块自动随位装置,可始终保持两侧瓦块退距均等且无需调整,完全避免因退距不均使一侧制动衬垫浮贴制动轮的现象;
▲ 主要摆动铰点均设有自润滑轴承,传动效率高,寿命长,使用中无需润滑;
▲ 制动弹簧在方管内布置并设有标尺,用户可十分方便地读出制动力矩值,免去测量和计算的麻烦;
▲ 制动衬垫为卡装式整体成型结构,更换十分方便、快捷,备有半金属(无石棉)硬质和半硬质,软质(无石棉)等不同材质的制动衬垫供用户选择;
▲ 配套Ed系列电力液压推动器产品,动作灵敏、使用寿命长;
▲ 常闭式设计,(断电)弹簧制动,(通电)推动器释放。
◆ 海拔高度:<2000m;
◆ 环境温度:-20°C〜+ 40°C;
◆ 相对湿度:≤90%;
◆ 工作制:间歇性(S3-60%)和连续(S1);
◆ 电源电压:三相交流,AC380 50Hz (其他电源等级可按需要定制);
◆ 有特殊要求时在订货时协商确定。
● 产品型号:YW-L200、YW-L250、YW-L315、YW-L400、YW-L500
● 适用轮径:200~500mm
● 制动力矩:200~4100Nm


在线留言
Message
相关应用
Applications
